Адресный источник питания ELEKOR-Power Supply-A (24-2/7) (24-2/12)
Артикул: P-0834394 В наличииАдресный блок питания ELEKOR-Power Supply-A (24-2/7) (24-2/12)
Адресный блок питания предназначен для работы в составе адресной системы сигнализации GAMMA-512.
| Характеристики: |
|
| Скачать → Руководство по эксплуатации ELEKOR-Power Supply-A-24-2/7 |
Адресный блок питания осуществляет контроль наличия и разряда аккумулятора, передачу на АПКП сигналов: «Нет сети», «Разряд или отсутствие АКБ», «Короткое замыкание в нагрузке». Кроме того, ELEKOR-Power Supply обеспечивает защиту от короткого замыкания клемм подключения АКБ, от переполюсовки АКБ, защиту АКБ от глубокого разряда путем автоматического отключения нагрузки, что предотвращает выход из строя АКБ, от перезаряда, что продлевает срок службы АКБ.
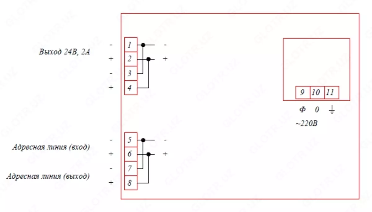
Схемы
Скачать → Альбом типовых схем подключения устройств к "GAMMA-512" в формате PDF.
Габаритные и установочные размеры ELEKOR-Power Supply


Схема подключения адресного резервируемого источника электрического питания постоянного тока ELEKOR-Power Supply-A (24/2х7), ELEKOR-Power Supply-A (24/2х12)

Примечание:
ELEKOR-Power Supply-A (24/2х7) - Uвых. =24 В; I до 2 А; 2 х АКБ 12 В, 7 А*ч.
ELEKOR-Power Supply-A (24/2х12) - Uвых. =24 В; I до 2 А; 2 х АКБ 12 В, 12 А*ч.